Mailing List lml@lancaironline.net Message #29704
From: John Huft <aflyer@lazy8.net>
Sender: <marv@lancaironline.net>
Subject: Re: [LML] Re: Plasma III on Hi Compression Engines -wiring
Date: Wed, 04 May 2005 15:27:41 -0400
To: <lml@lancaironline.net>
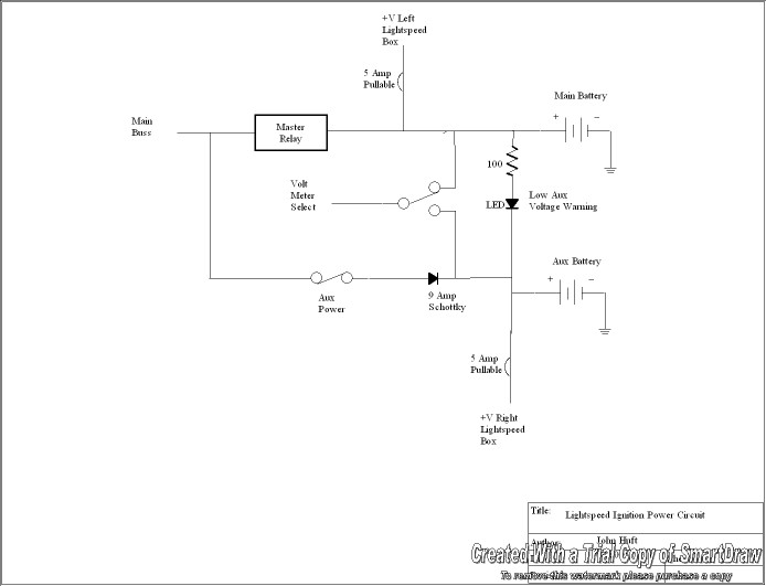
Scott, you inspired me to post my wiring diagram...attached. It is a little different than that suggested by Klaus.

John

Image
lightspeed power circuit.jpg
Subscribe (FEED) Subscribe (DIGEST) Subscribe (INDEX) Unsubscribe Mail to Listmaster