Mailing List lml@lancaironline.net Message #41660
From:
Zavatson, Christopher J (US SSA) <Christopher.Zavatson@baesystems.com>
Sender:
<marv@lancaironline.net>
Subject:
RE: [LML] Re: Gear Trouble( retraction issues)
Date:
Wed, 18 Apr 2007 20:38:24 -0400
To:
<lml@lancaironline.net>
Randy Snarr,
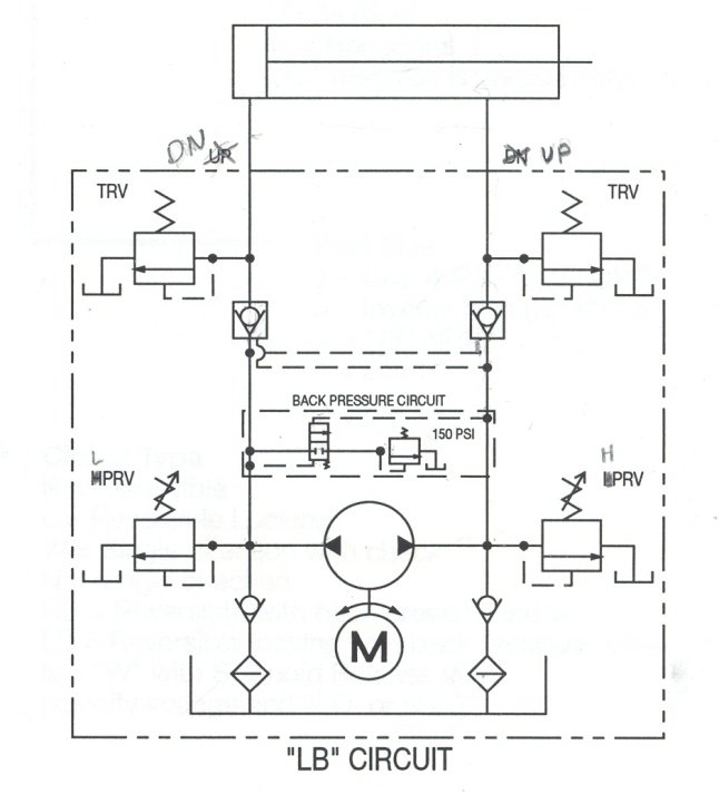
Thanks for clearing up the confusion with multiple contributors named Randy. Attached is the pump schematic.
Chris
Chris Zavatson
N91CZ
360std
www.N91CZ.com
Attachment:
Pump-Schematic.jpg
(113K)
Subscribe (FEED)
Subscribe (DIGEST)
Subscribe (INDEX)
Unsubscribe
Mail to Listmaster