Mailing List lml@lancaironline.net Message #33185
From:
Marvin Kaye <marv@lancaironline.net>
Subject:
Re: [LML] Re: LNC2 Battery, Electronic Ign (LSE) Backup Battery and an Interesting Poser
Date:
Sun, 04 Dec 2005 22:04:35 -0500
To:
<lml>
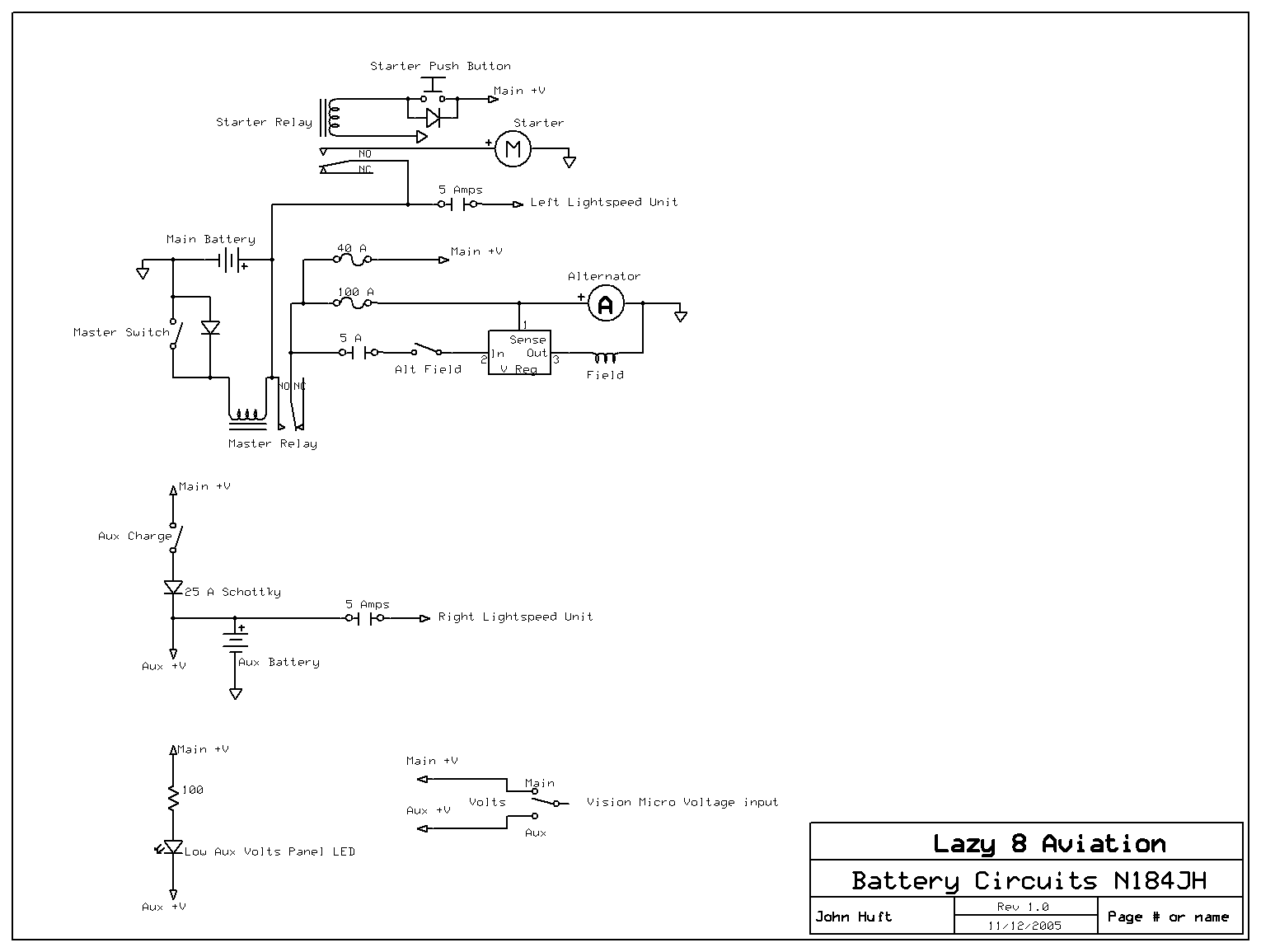
Posted for John Huft <aflyer@lazy8.net>:
Here is a schematic (first try, I hope it works ok)
Attachment:
first try.gif
(21K)
Subscribe (FEED)
Subscribe (DIGEST)
Subscribe (INDEX)
Unsubscribe
Mail to Listmaster