Mailing List lml@lancaironline.net Message #32455
From: bob mackey <n103md@yahoo.com>
Sender: <marv@lancaironline.net>
Subject: [LML] Re: Anyone have some 320 Jacks?
Date: Thu, 20 Oct 2005 09:19:22 -0400
To: <lml@lancaironline.net>

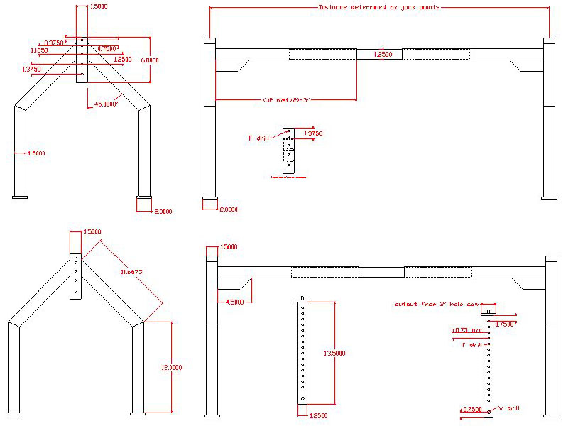
The LML website has a variety of jacks that works well

the 235/320/360. http://lancaironline.net/lmltools.html

Here's the one that I like the best:
http://lancaironline.net/archives/jensjack.jpg
http://lancaironline.net/archives/jackstand.jpg

I have one very similar that has been modified to have variable width so that it fits either a 235 or 320 airframe. The problem with using a typical low wing jack like
the Aircraft Jack #326 is that the bottom of a 320
is about 20-22 inches from the ground. The 326 jack is

26 inches tall at its shortest. -bob mackey





__________________________________ Yahoo! Mail - PC Magazine Editors' Choice 2005 http://mail.yahoo.com
Subscribe (FEED) Subscribe (DIGEST) Subscribe (INDEX) Unsubscribe Mail to Listmaster