Mailing List flyrotary@lancaironline.net Message #58755
From: Bobby J. Hughes <bhughes@qnsi.net>
Subject: Re: [FlyRotary] Standard oil cooler port.
Date: Sat, 18 Aug 2012 21:17:27 -0500
To: Rotary motors in aircraft <flyrotary@lancaironline.net>
Chris

I think the thermostat hole can be plugged but I don't know the details.  Bobby Hughes


Image
image.jpeg

Sent from my iPad

On Aug 18, 2012, at 6:57 PM, "Chris Barber" <cbarber@texasattorney.net> wrote:

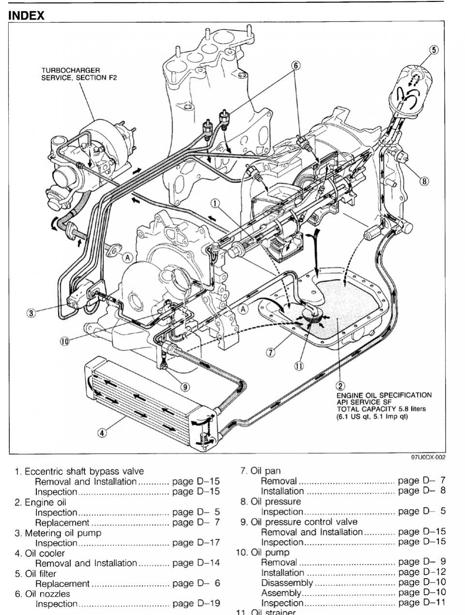
On the standard Mazda oil cooler there is a port next to and 90 degrees off from the port on the end of the cooler. What is this port for?  There is a large hex topped bolt in the hole. Could I use this location to run a line to instead of the one on the end?  It would greatly clean up a plumbing issue I have as currently my the port on the end protrudes out of my cowl slightly. If I can use this other port I could likely eliminate adding a blister. Thanks. Chris
2nd gen 13b
1.6 hrs As of yesterday. Flight five. Sent from my iPhone 4
--
Homepage:  http://www.flyrotary.com/
Archive and UnSub:   http://mail.lancaironline.net:81/lists/flyrotary/List.html
Subscribe (FEED) Subscribe (DIGEST) Subscribe (INDEX) Unsubscribe Mail to Listmaster