Mailing List flyrotary@lancaironline.net Message #5725
From: Marvin Kaye <marv@lancaironline.net>
Subject: Re: [FlyRotary] Re: Linear Position Transducer?
Date: Tue, 03 Feb 2004 22:09:26 -0500
To: Rotary motors in aircraft <flyrotary@lancaironline.net>
"Ed Anderson" <eanderson@carolina.rr.com>:



   I looked them up on their new web site Ray Allen and got some ideas from
it.  I think I will use a10 turn pot with a gear and rack and then drive a
10 position LED bar with the output to form an indicator.  Very similar to
what they have done. <<<


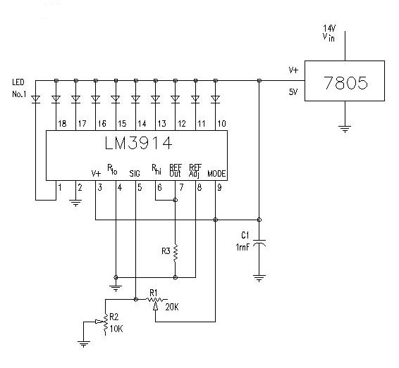
Cool.  Here's a little schematic you can use to drive your ladder display. I've built both versions, they work great.  This one is for a 10-LED ladder, the one I'll send with the next post is for 20 lites and will include the circuit notes.  Enjoy.

    <Marv>
Subscribe (FEED) Subscribe (DIGEST) Subscribe (INDEX) Unsubscribe Mail to Listmaster