Mailing List flyrotary@lancaironline.net Message #46065
From: Bob White <bob@bob-white.com>
Subject: Re: [FlyRotary] Re: John Downings Tach
Date: Fri, 8 May 2009 20:51:48 -0600
To: Rotary motors in aircraft <flyrotary@lancaironline.net>
Hi John,

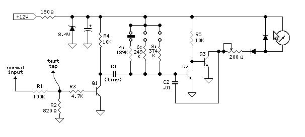
Presumably I calibrated your tach to read one rpm per pulse.  The
attached schematic is similar to your unit.

I changed some of the resistor values.  I don't seem to have the actual
values I used in my notes. Your tach also had a diode between the input
and the junction of R2 and R3.  I then connected it to a pulse
generator and adjusted it for 1 pulse per rpm with the 200 ohm pot.
With 100 pulses per second input, the reading should be 6000 rpm.  I
won't rule out the possibility that my calibration was in error. :) One
possible cause of the failure is I may have over done the input
reduction causing Q1 to fail.  There is also a conditioning circuit
between the coil trigger signal and the tach.  It provides isolation
and supplies a constant short pulse width signal. John, most of this is for Ed's benefit as I know you aren't an
electronics guy. ;)

Bob W.

On Fri, 8 May 2009 21:09:56 -0400
"John" <downing.j@sbcglobal.net> wrote:

Jeff, are you saying that with the one lead that the engine is actually revving twice the reading.  It is no wonder the plane goes over the chocks with a reading of 3,000 rpm before the tach quit working.  It actually starts jumping up and down before it makes the leap and I can get it shut down, that is why I tie it down good before I start it.  JohnD
----- Original Message ----- From: "Jeff Whaley" <jwhaley@datacast.com>
To: "Rotary motors in aircraft" <flyrotary@lancaironline.net>
Sent: Friday, May 08, 2009 12:48 PM
Subject: [FlyRotary] Re: John Downings Tach


Hi Bob, the unit has 2 pick-ups, so with a 4/4 you need both coil pick-ups to get 2 pulses per rev, same as with the 2/2; if you had a 1 cylinder/2 stroke it would give 1 pulse per rev; therefore the number of cylinders matter. With the V6, 2 pick-ups also produce 2 pulses per rev, but since they are occurring a slightly slower rates the frequency to voltage conversion was not accurate; I changed the R/C filter on the input and adjusted the internal reference pot to increase the rpm readout ... drove around for a few weeks with it in my Sonoma to verify calibration with Sonoma Tach. The rpm max reading is 9999.
Jeff

-----Original Message-----
From: Rotary motors in aircraft [mailto:flyrotary@lancaironline.net] On Behalf Of Bob White
Sent: Friday, May 08, 2009 12:18 PM
To: Rotary motors in aircraft
Subject: [FlyRotary] Re: John Downings Tach

Hi Jeff,

Thanks for the tip.  There is something I don't understand about the
specs for this unit.  It's good for 4 cylinder 4 stroke or 2 cylinder 2
stroke.  If I use the spark plug wire for the pickup, a 4 stroke
(piston) engine will see one spark per two rev.  Why does it matter how
many pistons there are?  If it's a wasted spark system, then one spark
per rev. just like a two stroke piston engine.  There must be something
basic I don't understand.  What sort of mod did it need for the V6?

BTW, what is the maximum rpm reading for that unit?

Thanks,
Bob W.

On Fri, 8 May 2009 07:48:47 -0700
Jeff Whaley <jwhaley@datacast.com> wrote:

> I like the belt and suspenders!!
> I am using a UMA digital tachometer 2 1/4" from Aircraft Spruce that was > originally designed for 4 cylinder engines using an electrical impulse > pickup from spark plug leads. I modified it to mate with the Ford V6; I > have modified it again to connect to the EC2 driving the R1 PRI injector. > The rotary firing system is similar to a 4 cylinder so if this tach is > still available (Part # 10-24885) it would work off spark plug impulse > couplers.
> Jeff
>
> -----Original Message-----
> From: Rotary motors in aircraft [mailto:flyrotary@lancaironline.net] On > Behalf Of Bob White
> Sent: Friday, May 08, 2009 12:14 AM
> To: Rotary motors in aircraft
> Subject: [FlyRotary] John Downings Tach
>
> John is using a standard tach that is normally connected to a > distributor/coil ignition system.  The straight 12V pulse used for the
> LS1 coils wouldn't activate it.  I built an interface for him that > involved taking that pulse as an input and generating a shorter constant > pulse width output.  I modified the tach to trigger on the lower voltage > signal, and adjusted the scale factor to read correctly with one > pulse/rev.  As John reported, it worked for about 0.8 hours, then quit. > He is sending everything back to me so that I can find out where the > problem is.  I would like to find a tach solution that John can use > without modifying anything.  The parameters are he has a 2 1/16 inch > mounting hole, the tach needs to read correctly with 1 pulse/rev (would be > the same as a two cylinder piston engine with coil and distributor), > should trigger directly on a 12V pulse.
>
> I've found tachs on the web that mention working with distributorless or > electronic systems, but none of them were the 2 1/16 inch type.  I found a > converter, the MSD 8913, but on the Summit Racing catalog it specifically > says it won't work with the LS-1 system.  It work by sensing the current > pulses to the 12V power lead on the coil.  I don't know why it wouldn't > work with an LS-1 coil, but it doesn't seem like a good investment when > the LS-1 is specifically mentioned as not working.
>
> Can anyone recommend a tach solution that John can use with his LS-1 Coil > rotary engine combination?
>
> On another topic, John has the only system I've heard of that has the > capability to run on either EFI or a carburettor.  John posted a picture > of his Tailwind a few days ago.  It's a very good picture but considering > the redundancy of the EFI/carb system, I felt that the picture was > lacking.  I submit this edited version as being more indicative of John's > desire for uncompromised safety.
>
> Bob W.
>
> --
> N93BD - Rotary Powered BD-4 - http://www.bob-white.com
> 3.8 Hours Total Time and holding
> Cables for your rotary installation - http://roblinstores.com/
>
> --
> Homepage:  http://www.flyrotary.com/
> Archive and UnSub: > http://mail.lancaironline.net:81/lists/flyrotary/List.html




--
N93BD - Rotary Powered BD-4 - http://www.bob-white.com
3.8 Hours Total Time and holding
Cables for your rotary installation - http://roblinstores.com/
Subscribe (FEED) Subscribe (DIGEST) Subscribe (INDEX) Unsubscribe Mail to Listmaster