Mailing List flyrotary@lancaironline.net Message #44706
From: Lynn Hanover <lehanover@gmail.com>
Subject: Fwd: Muffler design
Date: Wed, 7 Jan 2009 21:53:12 -0800
To: <flyrotary@lancaironline.net>


---------- Forwarded message ----------
From: <Lehanover@aol.com>
Date: Wed, Jan 7, 2009 at 8:50 PM
Subject: Muffler design
To: lehanover@gmail.com


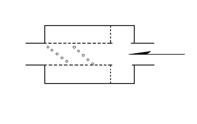
Here is a version of the Mistral muffler I think from Paul Lamar's web site.
 
Also a drawing of the Mazda racing muffler. This would have been below the rear bumper, and high heat would not have been a factor. Even so, I saw some failures in the end caps that were only slightly off of flat.
 
Note the empty room at the front end where the pulse could drop to subsonic. The rest looked like a regular steel packed muffler but had either lava rock or stainless cuttings. Probably added after the factory stuffing blew out. Once the pulse is subsonic, mechanical failure is a longer process.
 
Lynn E. Hanover




New year...new news. Be the first to know what is making headlines.

Subscribe (FEED) Subscribe (DIGEST) Subscribe (INDEX) Unsubscribe Mail to Listmaster