Mailing List flyrotary@lancaironline.net Message #22229
From: <Lehanover@aol.com>
Subject: Re: [FlyRotary] Re: Seized 13b
Date: Sat, 21 May 2005 07:05:12 EDT
To: <flyrotary@lancaironline.net>
In a message dated 05/20/2005 12:09 Central Daylight Time, WRJJRS@aol.com writes:
It must have been a really bad "dry sump." Since the engine seized there as a bad problem.
Bill Jepson
 
 
I think there is far more to the story than has been exposed here.
 
The bearings are very large in area and if just wetted with oil will run for quite some time with light load and zero oil pressure. When I worked in the cabinet shop we had a jointer with 4 knives and a 60 pound rotor to carry them. It got a few drops of oil each morning, and ran just about all day. It had poured babbit bearings. It was 60 years old when I used it and is still running today, 35 years later.
 
A full throttle takeoff with no oil pressure would do it in with a high probability.
 
We did race for years without a windage plate between the engine and the pan. When braking hard, the entire oil supply would run up into the front cover and uncover the pickup.
Just a wiggle in the gage would indicate there was much reduced oil pressure. No damage ever resulted. 
 
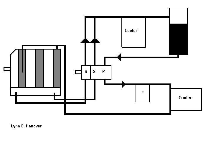
Picture is my dry sump layout.
 
Lynn E. Hanover 
Image
Dry Sump.jpg
Subscribe (FEED) Subscribe (DIGEST) Subscribe (INDEX) Unsubscribe Mail to Listmaster