Mailing List flyrotary@lancaironline.net Message #14318
From: keltro@att.n <keltro@att.net>
Subject: Re: Houston, we have a problem!
Date: Wed, 22 Dec 2004 16:02:21 +0000
To: <flyrotary@lancaironline.net>
 


>
> > I did cut the original aluminum oil filter mount fitting just below the oil
> > filter, leaving the return oil threaded port. Welded shut both holes on top
> > and leaving both O-ring holes below. Something maybe wrong with this ?
> > But than again, why is the turbo feed line open to the oil pan space?
> > The engine was rebuild by a local Rotary racer with Tracy's recommended
> > mods. I installed the oil pressure valve by the back cover just before
> > installing the pan, and could have done something wrong there?
> > Bulent
     

     Bulent,

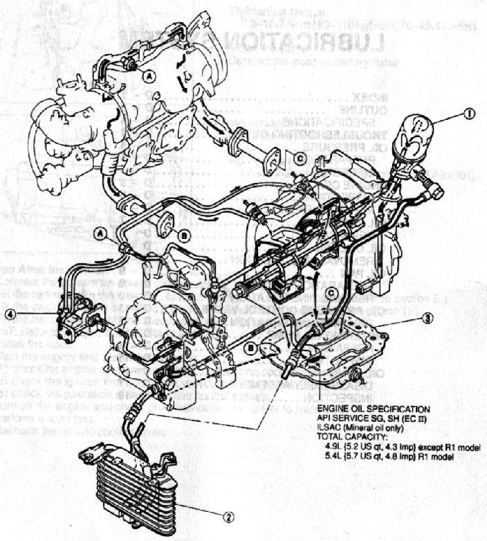
        Those two holes you welded shut  have to be connected........You have

completely stoped oil from reaching the engine from pump/cooler/filter ....... !

       You have figured this out by now and probably have it fixed already but

attached is the oiling skematic for the 3rd gen. RX7 and Cosmo 13B engines

for the new guys or those not as familar with the engine .........FWIW

 

Kelly Troyer

Image
oil_ske_93.jpg
Subscribe (FEED) Subscribe (DIGEST) Subscribe (INDEX) Unsubscribe Mail to Listmaster